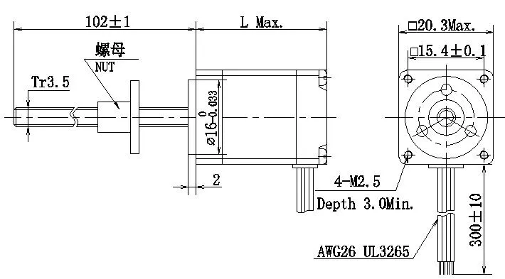
Note:The specifications can be designed according to the customer's requirements!Applications:Machine vision inspection equipment, Medical equipment, Semiconductor processing device, Industrial automation, advertisement instrument, etc.Parameters: Electrical Specifications SeriesModel RatedCurre......


Series Model | Rated Current (A) | Phase Resistance (Ω) | Phase Inductance (mH) | Lead Wire (No.) | Holding Torque (N.cm) | L Motor Length L (mm) | Step Angle (°) |
| HL206-00102 | 0.2 | 23 | 7.2 | 4 | 1.8 | 28 | 1.8 |
| HL206-00202 | 0.2 | 25 | 8.4 | 4 | 2.0 | 34 | |
| HL206-00302 | 0.2 | 32 | 8.8 | 4 | 3.0 | 40 | |
| HL206-00306 | 0.6 | 5.8 | 1.6 |
| Code | Diameter ΦD | Linear travel per step | Step |
| 351 | Φ3.5 | 0.005 | 1 |
| The shaft length can be custom-made. | |||




NEMA23 High Torque Round Hb Stepper Motor for 3D Printer
NEMA8/11/14/16/17/23/34 1.8 Deg Hb Electric Stepping Stepper Motor
NEMA 8 Connector Type Hb -Hybird Stepper Step Motor (28mm 0.039N. m)
NEMA 8 Connector Type Hb -Hybird Stepping Stepper Motor for Spark Cutting Machine
3.0n. M 57X57X100mm NEMA23 Stepper Motor 3.0A CNC Stepper Motor
24HT6335 3-Phase NEMA23 Step Stepping Stepper Electric Motor