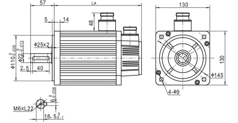
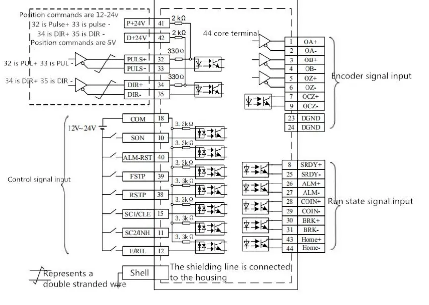
Siheng China Supplier 130SF-M06025+KB05 Ac Servo Motor 380V 1.5Kw 6nm Servo Motor and driver for laser cutting machineProduct Description---------------------------------------------------------------------------------------------------------------------KB05 Motor driver dimensionMotor driver inform......












1. How can we know the product quality?
A1: We suggest you to order a sample. Also, you can send us email for detail photos for checking if you cannot get enough information in the product page.
2. How can we get your catalog?
A2: Please go to below website link to download it .-http://sihengmotor.en.made-in-china.com
3. Can we have free sample?
A3: Sorry friend,you should pay the sample cost,but we can apply the discount for you.
4. Is this your final price? May i have the discount?
A4: Our price is the factory price, and if your quantity is larger, we will allow the discount for you.
5.Is there cheap shipping cost to import to our country?A5: Yes, we have our regular shipping company, they have very good price.
6. Can we visit your factory?
A6: Yes welcome warmly.
7.What is the Warranty for your products?
A7: One year warranty for all electronic products. If any quality problems on our side occured in this period, we will take on the shipping cost and replacement.
Yl132s1-2 (5.5KW/7.5HP) Dual Capacitor CCC CE ISO 9001 OEM ODM Obm IEC Standard 2800rpm Capacitor Run Capacitor Start Induction Motor for Pump Centrifugal Fan
AC Motor Run Capacitor Cbb65 Aluminum Capacitor
The My90L-4 (1.5kw) 220V 50Hz OEM ODM Obm Single-Phase Capacitor- Run Asynchronous Electric Motor with Aluminum Housing with CCC CE ISO9001
Yl802-4 (0.75KW/1HP) Dual Capacitor Capacitor Run Capacitor Start CCC CE ISO 9001 OEM ODM Obm IEC Standard 2800rpm Induction Motor for Pump Centrifugal Fan
The Ysf- 712 -4 (0.37KW) 0.57HP 380V Exhaust Fan Motor 1400rpm Three-Phase Induction Electric Motor with Aluminum Housing with CCC CE High Efficiency
Ysf- 712 -4 (0.37KW) Exhaust Fan Motor 1400rpm Three-Phase AC Induction Motor with Aluminum Housing with CCC CE for Exhaust Fan High Efficiency