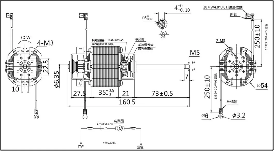
BG 54 AC Motor Environmental Conditions-20ºC~50ºCInsulation ClaseBProtection classIP40Noise≤70dBNumber of phasesSingle CurrentAC&DCLifespan1000-1500hElectrical SpecificationsModelRATED LOADNO LOAD STALL Voltage Power Speed Torque Current Speed Current Torqu......

| BG 54 AC Motor | |
| Environmental Conditions | -20ºC~50ºC |
| Insulation Clase | B |
| Protection class | IP40 |
| Noise | ≤70dB |
| Number of phases | Single |
| Current | AC&DC |
| Lifespan | 1000-1500h |
| Electrical Specifications | |||||||||
| Model | RATED LOAD | NO LOAD | STALL | ||||||
| Voltage | Power | Speed | Torque | Current | Speed | Current | Torque | Current | |
| V | W | rpm | N.m | A | rpm | A | N.m | A | |
| BG AC5420 | 110 | 20 | 10000 | 0.02 | 0.36 | 17000 | 0.03 | 0.06 | 1.08 |
| BG AC5425 | 110 | 20 | 11000 | 0.016 | 0.36 | 18000 | 0.03 | 0.048 | 1.08 |
| BG AC5430 | 220 | 30 | 12000 | 0.023 | 0.3 | 20000 | 0.03 | 0.069 | 0.9 |
| We can also customize products according to customer requirements . | |||||||||








Established in 1994, Ningbo BG Motor Factory is a professional manufacturer of brushless DC motors, brushed DC motors, planetary gear motors, worm gear motors, Universal motors and AC motors. We have a plant area of 6000 square meters, multiple patent certificates, and we have the independent design and development capabilities and strong technical force, with an annual output of more than 1 million units. Since the beginning of its establishment, BG motor has focused on the overall solution of motors. We manufacture and design motors, provide professional customized services, respond quickly to customer needs, and actively help customers to solve problems. Our motor products are exported to 20 countries, including the United States, Germany, Italy, the United Kingdom, Poland, Slovenia, Switzerland, Sweden, Singapore, South Korea etc.
Q:1.What kind of motors can you provide?
A:At present, we mainly produce brushless DC motors, brush DC motors, AC motors, Universal Motors; the power of the motor is less than 5000W, and the diameter of the motor is not more than 200mm;
Q:2.Can you send me a price list?
A:For all of our motors, they are customized based on different requirements like lifetime, noise,voltage,and shaft etc. The price also varies according to annual quantity. So it's really difficult for us to provide a price list. If you can share your detailed requirements and annual quantity, we'll see what offer we can provide.
Q:3.Can l get some samples?
A:It depends. If only a few samples for personal use or replacement, I am afraid it'll be difficult for us to provide because all of our motors are custom made and no stock available if there are no further needs. If just sample testing before the official order and our MOQ,price and other terms are acceptable,we'd love to provide samples.
Q4:Can you provide OEM or ODM service?
A:Yes,OEM and ODM are both available, we have the professional R&D dept which can provide professional solutions for you.
Q5:Can l visit your factory before we place an order?
A:welcome to visit our factory,wear every pleased if we have the chance to know each other more.
Q:6.What's the lead time for a regular order?
A:For orders, the standard lead time is 15-20 days and this time can be shorter or longer based on the different model,period and quantity.
Yl132s1-2 (5.5KW/7.5HP) Dual Capacitor CCC CE ISO 9001 OEM ODM Obm IEC Standard 2800rpm Capacitor Run Capacitor Start Induction Motor for Pump Centrifugal Fan
AC Motor Run Capacitor Cbb65 Aluminum Capacitor
The My90L-4 (1.5kw) 220V 50Hz OEM ODM Obm Single-Phase Capacitor- Run Asynchronous Electric Motor with Aluminum Housing with CCC CE ISO9001
Yl802-4 (0.75KW/1HP) Dual Capacitor Capacitor Run Capacitor Start CCC CE ISO 9001 OEM ODM Obm IEC Standard 2800rpm Induction Motor for Pump Centrifugal Fan
The Ysf- 712 -4 (0.37KW) 0.57HP 380V Exhaust Fan Motor 1400rpm Three-Phase Induction Electric Motor with Aluminum Housing with CCC CE High Efficiency
Ysf- 712 -4 (0.37KW) Exhaust Fan Motor 1400rpm Three-Phase AC Induction Motor with Aluminum Housing with CCC CE for Exhaust Fan High Efficiency