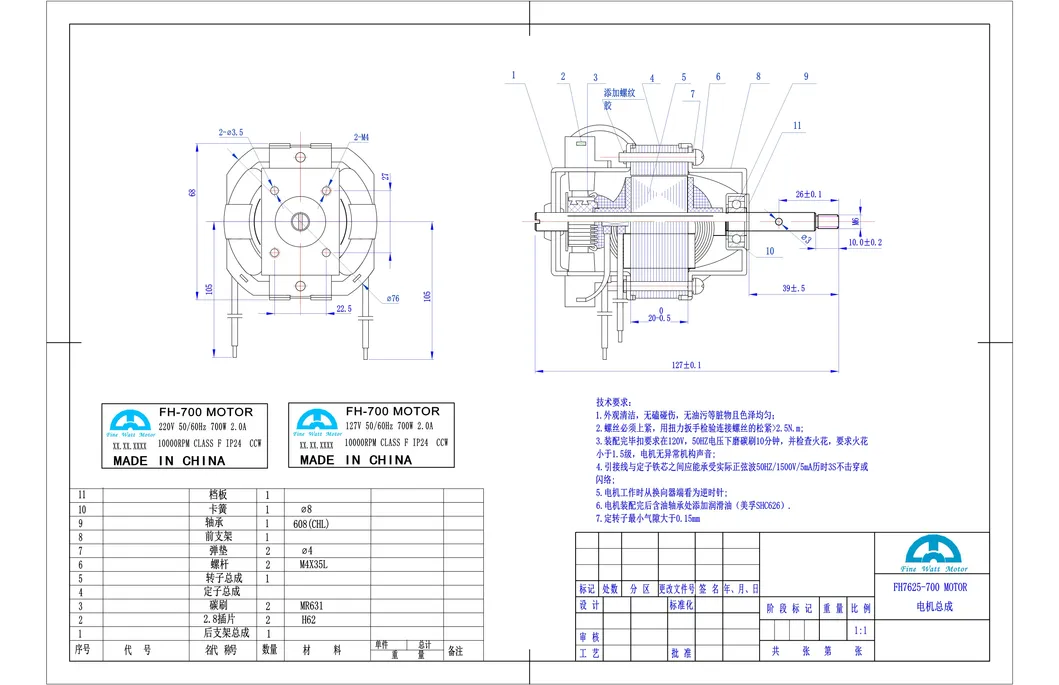
76# Universal MotorDescriptionvoltage:110-220VACPower:500-1500WCurrent:1.5-6ASpeed:22000RPM+/-15%Isulation Class:B/FWithstand Voltage: 1800V/1Sec/3mA (QA TEST: 1500V/60Sec/5mAThemal fuse:One shot/recoverable1.Application:The AC motor is commonly used for grass trimmer blender, electric sharpener, ......
| Model | Rotor Cool status Resistant(Ω) | Stator Cool status Resistant(Ω) | With load Speed(RPM) | With Load Current(A) |
| 220V/1000W | 9.95 | 6.85 | 10900 | 2.12 |
| 127V/1000W | 2.54 | 1.86 | 11450 | 3.08 |
| 220V/800W | 11.75 | 7.21 | 11000 | 1.59 |
| 127V/800W | 3.02 | 2.03 | 11200 | 3.4 |
| 220V/700W | 10.6 | 6.6 | 13400 | 2.1 |
| 127V/200W | 3.1 | 2.05 | 13570 | 3.77 |








(5)Q: What advantage do you have?
A: For motors, we have quality guarantee, if there is probelm motor after inspection in customer house,we will replace .
For service, we offer 24 hours technical support and barrier-free communication with excellent service people.
Technical service: Except offer actual motor products,we can also offer motor technical supporting seperately to our customer.Our engineers are represent the most advanced techonogy.
Yl132s1-2 (5.5KW/7.5HP) Dual Capacitor CCC CE ISO 9001 OEM ODM Obm IEC Standard 2800rpm Capacitor Run Capacitor Start Induction Motor for Pump Centrifugal Fan
AC Motor Run Capacitor Cbb65 Aluminum Capacitor
The My90L-4 (1.5kw) 220V 50Hz OEM ODM Obm Single-Phase Capacitor- Run Asynchronous Electric Motor with Aluminum Housing with CCC CE ISO9001
Yl802-4 (0.75KW/1HP) Dual Capacitor Capacitor Run Capacitor Start CCC CE ISO 9001 OEM ODM Obm IEC Standard 2800rpm Induction Motor for Pump Centrifugal Fan
The Ysf- 712 -4 (0.37KW) 0.57HP 380V Exhaust Fan Motor 1400rpm Three-Phase Induction Electric Motor with Aluminum Housing with CCC CE High Efficiency
Ysf- 712 -4 (0.37KW) Exhaust Fan Motor 1400rpm Three-Phase AC Induction Motor with Aluminum Housing with CCC CE for Exhaust Fan High Efficiency