TaiBang Motor Industrial Group Co., Ltd. The main products is induction motor, reversible motor, DC brush gear motor, DC brushless gear motor, CH/CV big gear motors, Planetary gear motor ,Worm gear motor etc, which used widely in various fields of manufacturing pipelining, transportation, food, med......
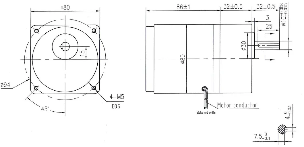
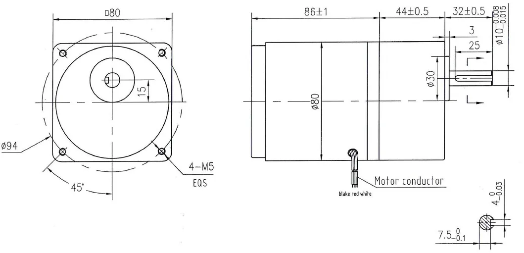
| Specification of motor 25W 80mm Fixed speed AC gear motor | ||||||||||
| TYPE | Gear tooth Output Shaft | Power (W) | Frequency (Hz) | Voltage (V) | Current (A) | Start Torque (g.cm) | Rated | Gearbox type | ||
| Torque (g.cm) | Speed (rpm) | Bearing gearbox | Middle Gearbox | |||||||
| Induction Motor | 4IK25A-S3 | 25 | 50 | 3Φ380 | 0.15 | 4300 | 1950 | 1250 | 4GN- K | 4GN10X |
| 25 | 60 | 3Φ380 | 0.14 | 3500 | 1570 | 1550 | 4GN- K | 4GN10X | ||


| Gearbox torque table(Kg.cm) | (kg.cm×9.8÷100)=N.m | ||||||||||||||||||
| Output speed :RPM | 500 | 300 | 200 | 150 | 120 | 100 | 75 | 60 | 50 | 30 | 20 | 15 | 10 | 7.5 | 6 | 5 | 3 | ||
| Speed ratio | 50Hz | 3 | 5 | 7.5 | 10 | 12.5 | 15 | 20 | 25 | 30 | 50 | 75 | 100 | 150 | 200 | 250 | 300 | 500 | |
| 60Hz | 3.6 | 6 | 9 | 15 | 18 | 30 | 36 | 60 | 90 | 120 | 180 | 300 | 360 | 600 | |||||
| Allowed torque | 25W | kg.cm | 4 | 6.7 | 10 | 13.3 | 16 | 20 | 26.7 | 32 | 39 | 65 | 80 | 80 | 80 | 80 | 80 | 80 | 80 |
| 30W | kg.cm | 4.8 | 8 | 12 | 16 | 20 | 24 | 32 | 38 | 46 | 76 | 80 | 80 | 80 | 80 | 80 | 80 | 80 | |
| 40W | kg.cm | 6.7 | 11 | 16 | 21.3 | 28 | 33 | 42 | 54 | 65 | 80 | 80 | 80 | 80 | 80 | 80 | 80 | 80 | |
| Note: Speed figures are based on synchronous speed, The actual output speed, under rated torque conditions, is about 10-20% less than synchronous speed, a grey background indicates output shaft of geared motor rotates in the same direction as output shaft of motor. A white background indicates rotates rotation in the opposite direction. | |||||||||||||||||||
| Basic tech data: | Retail price: |
| Motor type: AC gear motor | Insulation Class: E |
| Motor material: Aluminum , Copper, Steel | IP grade:IP44 |
| Rotation: CW/CCW reversible | Working style:S1 |
| Frequency: 50Hz/60Hz | Operating temperature range: -10 °C~+40°C |
| HS Code:8501510090 | Operating relative humidity: 95% Below |



Yl132s1-2 (5.5KW/7.5HP) Dual Capacitor CCC CE ISO 9001 OEM ODM Obm IEC Standard 2800rpm Capacitor Run Capacitor Start Induction Motor for Pump Centrifugal Fan
AC Motor Run Capacitor Cbb65 Aluminum Capacitor
The My90L-4 (1.5kw) 220V 50Hz OEM ODM Obm Single-Phase Capacitor- Run Asynchronous Electric Motor with Aluminum Housing with CCC CE ISO9001
Yl802-4 (0.75KW/1HP) Dual Capacitor Capacitor Run Capacitor Start CCC CE ISO 9001 OEM ODM Obm IEC Standard 2800rpm Induction Motor for Pump Centrifugal Fan
The Ysf- 712 -4 (0.37KW) 0.57HP 380V Exhaust Fan Motor 1400rpm Three-Phase Induction Electric Motor with Aluminum Housing with CCC CE High Efficiency
Ysf- 712 -4 (0.37KW) Exhaust Fan Motor 1400rpm Three-Phase AC Induction Motor with Aluminum Housing with CCC CE for Exhaust Fan High Efficiency